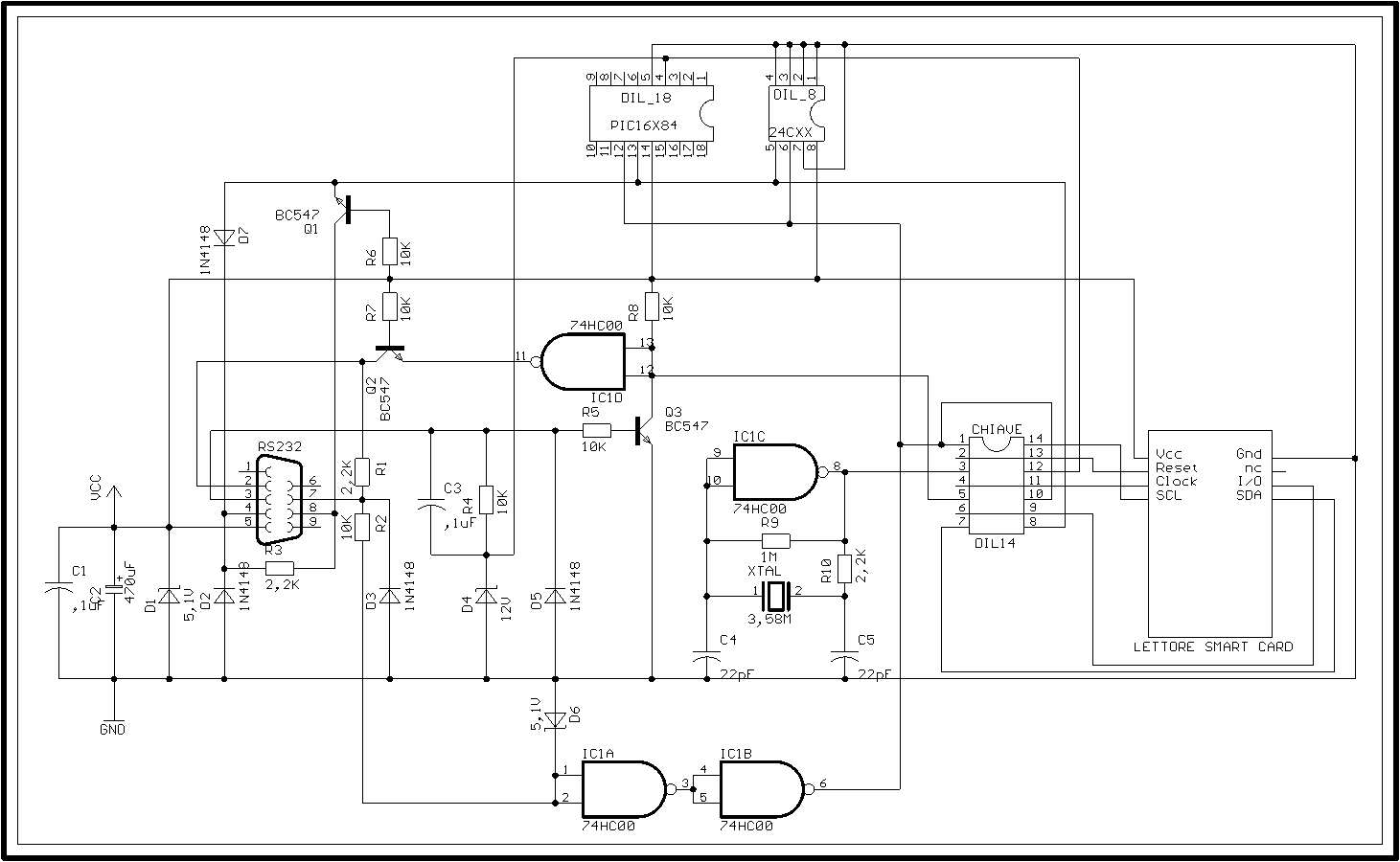
PCB101 / PCB110 PIC microcontrollers Programmer resources page
![]()


![]()
Here is the programmer I use to program PIC Microcontrollers as PIC16F873, PIC16F676, PIC16F84, PIC12F675, etc.
I use the icprog software
with it.
I use the ICProg Software OK under Windows 98 and also Windows XP.
the pcb101 / pcb110 kit (to be mounted) could be found for a cost of 38 euros
to be used with this cable :
| IBM ext cable DB9M/F | UNKNOWN | 1 |
N | 2-2181:1.80Mtr | 1.80 meter |
contains ic :
CD40109 or HCF40109
CMOS QUAD LOW-TO-HIGH VOLTAGE SHIFTER
1 PCB110 Kit to be mounted Avail.


other resources: http://www.mikroklub.hu/htm/tools.htm#isdprog



signaux nécessaires à la programmation :
PIC16F84 ------------------ PIC16F876/873
VSS(5)-----------------VSS(8)
VDD (14)----------------VDD(20)
MCLR (4)----------------MCLR(1)
RB6 (12) ---------------RB6(27)
RB7(13)---------------RB7 (28)

PIC16F84 to PIC16F84A Migration

![]()




![]()
M-à-j: 7 décembre, 2025.